|
公司基本資料信息
|
|||||||||||||||





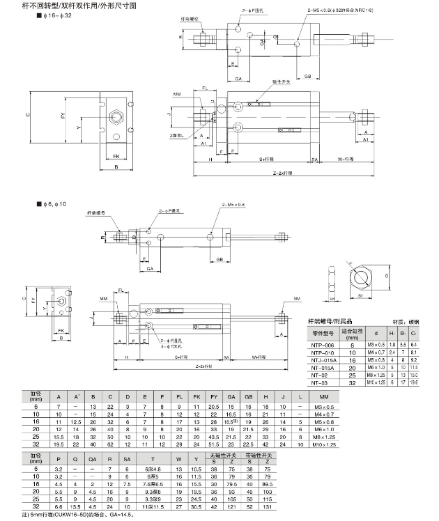
CDUKW6-5T,CDUKW6-10T,CDUKW6-15T,CDUKW6-20T,CDUKW6-25T,CDUKW6-30T,CDUKW10-5T, CDUKW10-10T,CDUKW10-15T,CDUKW10-20T,CDUKW10-25T,CDUKW10-30T,CDUKW10-40T,CDUKW10-50T, CDUKW15-5T,CDUKW15-10T,CDUKW15-15T,CDUKW15-20T,CDUKW15-25T,CDUKW15-30T,CDUKW15-40T, CDUKW15-50T,CDUKW20-5T,CDUKW20-10T,CDUKW20-15T,CDUKW20-20T,CDUKW20-25T,CDUKW20-30T, CDUKW20-40T,CDUKW20-50T,CDUKW25-5T,CDUKW25-10T,CDUKW25-15T,CDUKW25-20T,CDUKW25-25T, CDUKW25-30T,CDUKW25-40T,CDUKW25-50T,CDUKW32-5T,CDUKW32-10T,CDUKW32-15T,CDUKW32-20T, CDUKW32-25T,CDUKW32-30T,CDUKW32-40T,CDUKW32-50T