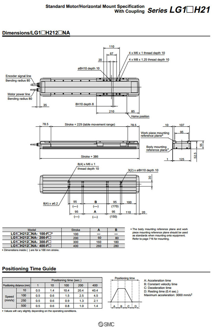
LG1H2121NA,LG1H2122NA,LG1TH2121NA,LG1TH2122NA,LG1H21821NA,LG1H21822NA,LG1TH21821NA,LG1TH21822NA,SMC薄型單軸電動執(zhí)行器


LG1H2121NA-100,LG1H2121NA-200,LG1H2121NA-300,LG1H2121NA-400,LG1H2122NA-100,LG1H2122NA-200,
LG1H2122NA-400,LG1TH2121NA-100,LG1TH2121NA-200,LG1TH2121NA-300,LG1TH2121NA-400,LG1TH2122NA-100,
LG1TH2122NA-200,LG1TH2122NA-300,LG1TH2122NA-400,LG1H21821NA-100,LG1H21821NA-200,LG1H21821NA-300,
LG1H21821NA-400,LG1H21822NA-100,LG1H21822NA-200,LG1H21822NA-300,LG1H21822NA-400,LG1H2122NA-300,
LG1TH21821NA-100,LG1TH21821NA-200,LG1TH21821NA-300,LG1TH21821NA-400,LG1TH21822NA-100,LG1TH21822NA-200,
LG1TH21822NA-300,LG1TH21822NA-400,