|
公司基本資料信息
|
|||||||||||||||







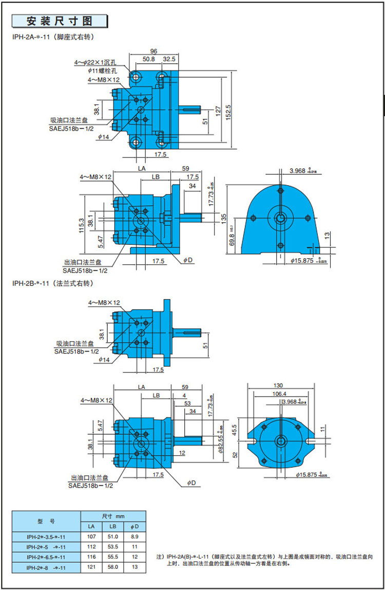
IPH-2A-3.5-11,IPH-2A-5-11,IPH-2A-6.5-11,IPH-2A-8-11,IPH-2B-3.5-11,IPH-2B-5-11,IPH-2B-8-11,IPH-3A-10-20,
IPH-3A-13-20,IPH-3A-16-20,IPH-3B-10-20,IPH-3B-13-20,IPH-4A-20-20,IPH-4A-25-20,IPH-4A-32-20,IPH-4B-20-20,IPH-4B-25-20,
IPH-4B-32-20,IPH-5A-50-21,IPH-5A-64-21,CCLAIR IPH-5B-40-21,IPH-5B-50-21,IPH-5B-64-21,IPH-5A-40-11,IPH-5A-50-11,IPH-5A-64-11,
IPH-5B-40-11,IPH-5B-50-11,IPH-5B-64-11,IPH-6A-80-21,IPH-6A-100-21,IPH-6B-80-21,IPH-6B-100-21,IPH-6B-125-21,IPH-6A-80-11,
IPH-6A-100-11,IPH-6A-125-11,IPH-6B-80-11,IPH-6B-100-11,IPH-6B-125-11,IPH-2B-6.5-11,IPH-3B-16-20,IPH-5A-40-21,