|
公司基本資料信息
|
|||||||||||||||
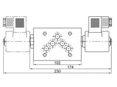
MP1-C20-P03M-L/A03M-I/B03M-I/W03M-I
MP1-C20-P03M-L,MP1-C20-A03M-I,
MP1-C20-B03M-I,MP1-C20-W03M-I,
疊式電磁閥的基本結構由兩個或多個完全相同的閥體組成,?這些閥體通過間隔獨立的間隔圈連接。?每個閥體都有一個進口和一個出口,?并通過間隔圈連接。?每個閥體內部有一個活塞,?在無壓力的情況下,?活塞被彈簧頂住,?在閥位關閉的狀態(tài)下保持閥門密閉。?


MP1-C20-P03M-L/A03M-I/B03M-I/W03M-I MP1-C20-P03M-L,MP1-C20-A03M-I, MP1-C20-B03M-I,MP1-C20-W03M-I,