|
公司基本資料信息
|
|||||||||||||||





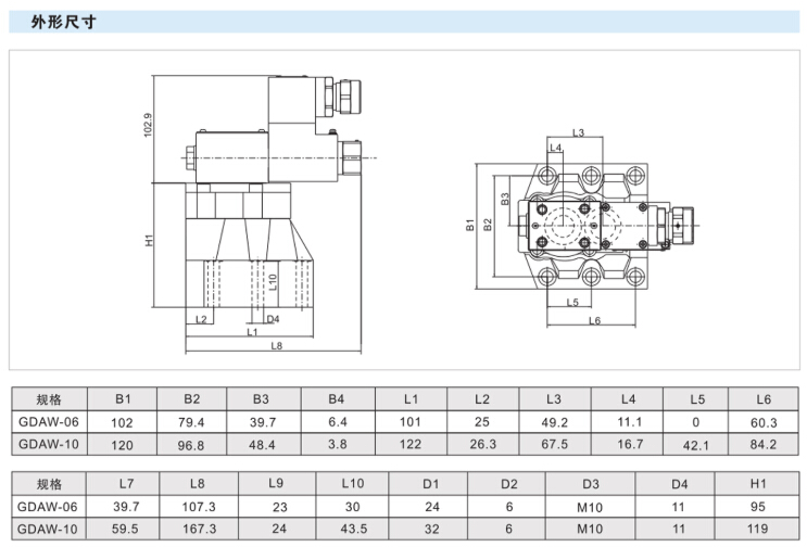
GDAW-10-05,GDAW-10-40,GDAW-10-05-A/D24A/53 隔爆電磁單向閥 GDAW-10-05-A/D24A/53,GDAW-10-40-A/D24A/53, GDAW-10-05-B/D24A/53,GDAW-10-40-B/D24A/53, GDAW-10-05-A/B127A/53,GDAW-10-40-A/B127A/53, GDAW-10-05-B/B127A/53,GDAW-10-40-B/B127A/53, GDAW-10-05-A/B220A/53,GDAW-10-40-A/B220A/53, GDAW-10-05-B/B220A/53,GDAW-10-40-B/B220A/53,